概述
XJC-2/3沖擊繼電器是用于電力系統(tǒng)直流操作的繼電保護及控制回路中,作為集中信號的主要元件。采用靜態(tài)集成電路,適用于不同中央信號接線方式,不論接于電源的正端或負端,均無須設置跨線,功耗很小,不需要外附電阻。
XJC-2/3型號及含義
主要特點
■采用靜態(tài)集成電路,具有抗干擾能力強,特殊電路設計消除了電源諧波干擾。
■內部具有自動返回和延時動作,延時復歸等三功能可自行選用。
■所有光示牌均可通用、混用。
■預警通用,+、-復歸通用。
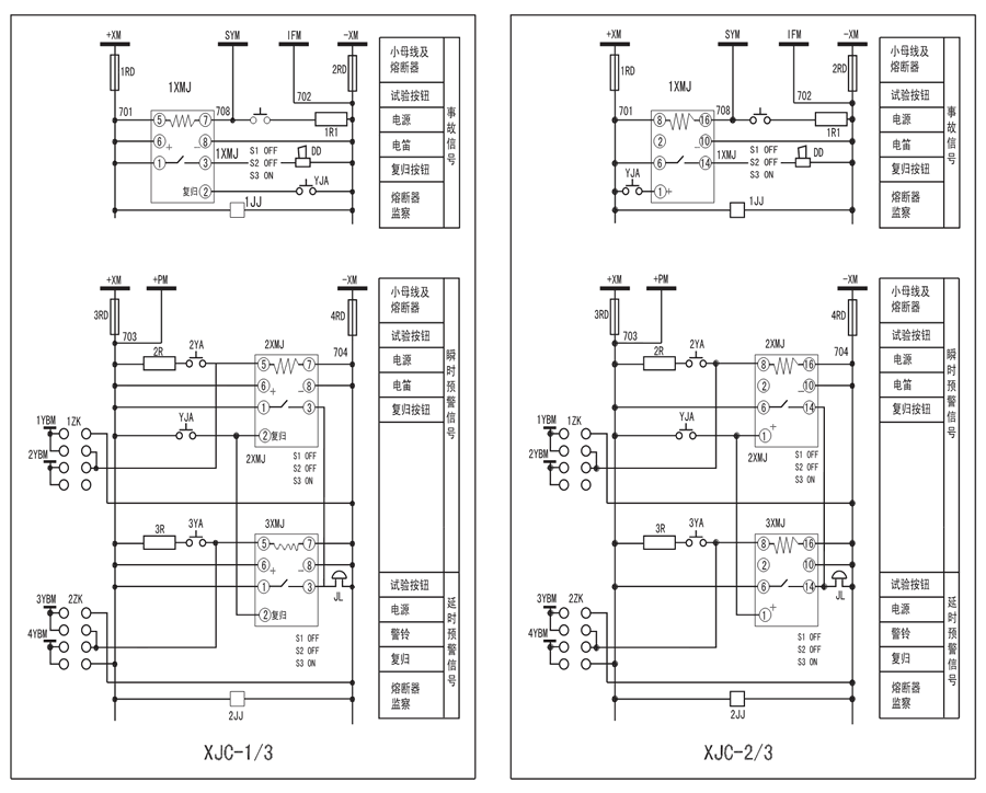
接線圖
XJC-2/3相關技術參數
| 型號 |
額定電壓 |
較小動作電流 |
較大動作電流 |
較大功耗 |
| XJC-1/1 |
24V、48V、110V、220V |
0.010A |
2A |
2.4+3.3W |
| XJC-1/3 |
24V、48V、110V、220V |
0.010A |
2A |
2.4+3.3W |
| XJC-2/3 |
24V、48V、110V、220V |
0.010A |
3.2A |
1.5+3.3W |
| XJC-3/3 |
24V、48V、110V、220V |
0.010A |
2A |
2.4+3.3W |
| XJC-4/3 |
24V、48V、110V、220V |
0.010A |
2A |
2.4+3.3W |
| XJC-4/3 |
24V、48V、110V、220V |
0.010A |
2A |
2.4+3.3W |
XJC-2/3工作原理

靜態(tài)沖擊繼電器解決了傳統(tǒng)的電流微分原理而采用電流幅值在報警整個周期內智能比較的方法,具有記憶特性,比較報警電流來到時刻前后電流的幅值,如果有長信號與短信號重疊,在預告信號延時期間內,只要長信號不返回,保證正確報警,長信號不會被短信號清除。內附有延時預告信號的延時時間元件和報警定時時間元件,可省去外部的兩只時間繼電器,在音響報警時,除手動復歸音響外,經定時回路自動解除音響。此外,對白熾燈光字牌燈絲冷熱電阻的變化、電源紋波以及觸點抖動的影響均能有較強的抑制能力,保證沖擊繼電器的正確動作。
企業(yè)實拍
主要特點
嵌入式插拔結構
凸出式插拔結構